【摘要】:本文通过分析普通单向平移数字DVB-C机顶盒的硬件构成、相关外围电路设计以及软件架构思路,介绍了在国内有线电视网络环境下,如何运用杭州国芯科技有限公司产品GX1001(解调芯片)和GX3001(MPEG2解码芯片)来设计数字有线电视机顶盒,使其不但具有优越的灵敏度、门限及抗干扰性能,且在软件上还具有可靠的稳定性、可扩展性及兼容性,以提供市场上最具竞争力的整套解决方案。
【关键词】:DVB-CGX1001GX3001杭州国芯科技
SolutionofDVB-CSTBBasedonGX1001andGX3001
【Abstract】:Throughanalysisoftheset-topboxhardwareandrelatedperipheralcircuitsandsoftwarearchitecture,thearticleintroducedthemethodofhowtouseGX1001(demodulator)andGX3001(MPEG2decoder)todesignsolutionsfordigitalcableset-topboxesinthedomesticcableTVnetworkenvironment,withpredominantsensitivity,thresholdandanti-jammingperformance,aswellasstability,scalabilityandcompatibilityofthesoftware.
【keywords】:DVB-CGX1001GX3001NationalChip
1、引言
数字电视就是应用数字技术生产、播出、传输和接收音视频信号的电视技术系统。相比卫星、地面无线等传输方式,有线数字电视出现最早、发展时间最长、技术相对成熟,所占的市场份额也最大。据资料显示中国目前有线电视用户数量达到1.09539亿户,已经平移到数字电视的有3751.1862万户,其中只有494.7万户是采用双向机顶盒,3256.4862万户采用的是单向(基本型机顶盒),所以平移基本型机顶盒市场潜力非常大。
2、DVB-C机顶盒功能概述及硬件组成:
对于普通单向平移数字DVB-C机顶盒,考虑到成本因素其硬件组成主要为:MPEG2解码芯片、DVB-C解调芯片、Tuner(下变频调谐器)、储存器接口、音视频接口、CA卡接口。如下图所示:

图1DVB-C机顶盒系统结构框图
机顶盒接收从同轴电缆传输过来的RF信号,经由Tuner下变频到36M中频信号并送至DVB-C解调芯片,由解调芯片完成信号解调,输出TS流到MPEG2解码芯片完成解码,最后输出相应的视音频数据到显示终端。
对于国内有线数字电视平移市场,基本型机顶盒主要包含以下应用功能
音、视频节目播放
电子节目指南(EPG)
浏览器(增殖业务平台)
音、视频内容保护(CA)
准视频点播(NVOD)
3、基于GX1001和GX3001的DVB-C机顶盒设计:
3.1、GX3001硬件平台概述
从有线数字机顶盒的系统构成来看,其关键部分为MPEG2解码芯片以和DVB-C解调芯片。杭州国芯科技有限公司推出的GX3001,采用32bitRISCCPU,最高主频216MHz,同时含8Kbtye数据和指令cache以及2KbtyeSRAM。最大支持单片64MBSDRAM,SDRAM最大时钟频率可达129.6MHz,充分保证了各种应用方案对存储器带宽的需求。GX3001支持16MB8位NOR型或SPIFlash,另外Flash接口带3根片选型号,可外挂3个类ISA总线接口得设备(如以太网芯片)。而GX1001是杭州国芯科技有限公司的DVB-C解调芯片,已累计销售900万片,除了和GX3001搭配外,通过和其它市场主流解码芯片的搭配和销售,其稳定性和优越的性能已充分接受了市场检验并赢得了市场的认可。可以说,使用杭州国芯科技有限公司的产品GX3001以及GX1001完全可以构成一个极具竞争力的整套解决方案。
现GX3001+GX1001方案的典型硬件配置为:
解码芯片:GX3001
解调芯片:GX1001
CPU:CK510(GX3001集成)
内存:16MBytesSDRAM
非易失性存储器:2MBytesFLASH
软件运行、开发平台:
操作系统:GXOS
编译器:ckcore-elf-gcc(类GNUGCC)
3.2、外围电路设计举例
下面先简单介绍一下GX3001的一些外围电路:
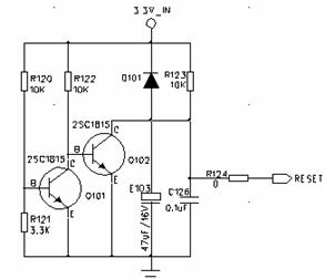
GX3001使用极为简单的RC复位电路,如下图所示:

图2GX3001复位电路
主要复位功能由R044和EC009完成,属于上电后低电平复位,二极管D010是快速开关机时的快速泻放二极管,保证快速开关机。2个三极管和3个电阻构成了一个电源监控电路,当3.3V变化较大时,系统会自动进行复位。
视频输出滤波器采用了电感、电容组成的二阶LPF网络,二极管用于保护作用,如下图所示:

图3视频滤波电路
GX3001提供音频IIS总线输出接口,支持16到24位的各种输出精度,可与各种IIS接口的外部音频DAC配合,包括低成本的R-2R网络DACPT8211或高性价比的Sigma-DeltaDACCS4344/5/6/8等。具体电路采用了CS4344的参考设计电路。
UARTRS232电平转换电路使用分立器件组成,如下图所示:

图4串口升级电路
此电路考虑了体积和成本方面的严格要求。当然如果对可靠性有更高的要求可使用MAX232等专用芯片替代。
从上述外围电路可以看出,在保证整机功能的完整性和可靠性的基础上,GX3001+
GX1001整体方案充分考虑了成本方面的要求,极大降低了整机成本。
3.3、PCB布板注意事项
对于整个应用方案的布板,GX3001的芯片管脚排列充分考虑了PCB布局布线合理性和方便性的需求,其中Flash和SDRAM部分的布线均可在顶层完成,不必穿过孔到底层。信道TS流输出到GX3001也不需要过孔。音视频管脚的排列顺序也最大程度地考虑了布线的合理和方便性。另SDRAM走线应该尽可能的短,线长尽可能大致相同,在保证尽可能短的情况下再保证尽可能线长相同。GX3001的1.8V需要的电流约300mA左右,走线应适当加宽。为了便于芯片散热,建议在PCB板上给芯片底部留出散热孔。
3.4、GX3001软件设计
机顶盒的在开机后,软件基本工作流程如下图:

图5有线数字机顶盒软件工作流程图
Cable中的数据在经过Demod解调后,转换成具有ISO/IEC13818-1中定义格式的传输流(TransportStream),TransportStream经过Demux解复用后,得到四种类型的数据:ElementStream,PSI/SI,DSMCC,PrivateData.ElementStream再经过Decode解码
在GX3001的硬件基础上,通过前面基本型机顶盒功能和工作流程分析,可以把基本型机顶盒的软件功能分为下模块:
用户操作界面显示(UI):根据用户实际需求设计
准视频点播(NVOD):根据DVB/SI标准或者实际实现规范设计
浏览器(Browser):移植第三方的中间件
系统管理(SystemParameterManger):根据用户实际需求设计
电子节目指南(EPG):根据DVB/SI标准或者实际Schedule信息
节目管理(ProgramManager):需要考虑存取速度和最大节目数量
时间管理(TimeManager):
条件访问(CA):移植第三方软件
在线升级(OnlineUp date):根据实际实现规范设计
Flash存储管理(Node):通用模块
A/V播放管理(AV)
PSI/SI接收引擎:通用模块
GUI
各个模块在软件系统架构中的层次如下:

图6软件系统架构图
下面就PSI/SI接收引擎、EPG、节目搜索、节目管理这些模块设计举例。
PSI/SI接收引擎设计:
根据DVBSI标准,机顶盒需要接收的表有PAT、PMT、SDT、EIT、TDT、NIT和数据
广播的DSMCC相关表,等,机顶盒需要解析这些表,从而获得与节目相关的信息。考虑到这些表在一个频点当中发送速率,因此有必要建立一个统一的接收引擎从而对这些表的接收进行管理。任何要使用PSI/SI信息的模块,都需要通过PSI/SI接收引擎进行。
EPG:
在DVBSI标准中EPG信息是在EIT表中进行发送的,它们总共分为两类:当前/后续
节目信息、Schedule节目信息
当前/后续节目信息的接收(Present/Following)
当前/后续节目信息是使用EIT表中的TableID为0x4E,0x4F表进行传送的,这些表会
不停的更新需要实时对其进行接收。0x4E是传送当前频点的Present/Following信息,0x4E是传送其它频点的Present/Following信息。
Schedule节目信息的接收(Schedule)
Schedule是使用EIT表中的TableID为0x50~0x5F,0x60~0x6F表进行传送的。0x50~0x5F是传送当前频点的Schedule信息,0x60~0x6F是传送其它频点的Schedule信息。这里需要特点注意的是一个section只能传输3个小时的Schedule信息,所以如果需要接收一周的Schedule需要对四个不同TableID的EIT表进行接收。
节目搜索
机顶盒在收看数字电视节目之前,需要对有线网络中转输的节目进行搜索。根据DVB/SI
标准和有线网络的实际情况:节目搜索可以分三类:NIT搜索:根据NIT表中提供的频点信息进行,搜索每一个频点。全频搜索:根据有线网络频段的分配表进行搜索。单频点搜索:只搜索一个频点的节目
节目管理
节目搜索后需要对其结果进行存储,考虑到Flash的读取数据,因此有必要在内存中建立节目的内存映象,考虑到有线网络的带宽的容量,节目数量的最大值设为500。
综上所述:在设计基本型机顶盒的软件时,应该以软件应用功能的模块化为设计时的指导方针,从而使得软件具有可扩展性,以应付未来需求变化。同时由于国内有线网络并不存在强制施行的标准,因此在软件设计时,需要考虑实际有线网络中的一些特殊情况,必要时到实际网络中调查研究。
3.5、GX1001信道设计
对于DVB-C机顶盒来说,信道指标是极为关键的指标之一。由于全国各地有线网络各异,线路放大器性能不一以及周边环境可能存在各种类型的干扰,各地运营商在招标时也非常看重整机机顶盒在实际网络中的抗干扰性能,所以信道部分的灵敏度、门限及抗干扰性能成为各家机顶盒厂商选择方案的关键因素。
GX1001是完全支持DVB-C(ITU-TJ.83A/C)传输标准的信道解调解码芯片,在大载波频偏、强线性失真的情况下依然能快速捕捉信号并保证处理后的信号质量,可以快速符号率盲扫、调制模式盲扫,能适应很大的符号率范围,具有很强的抗窄带干扰能力,自动频谱反转识别。GX1001内部集成了高精度ADC,可以进行直接/低中频采样,而且芯片采用全数字化处理技术,最大限度地减少整机解决方案中外围器件的数量,降低了系统成本和复杂度为更好地配合整机方案。GX1001提供了灵活友好的外部接口,如两种AGC模式、两线串行总线转发器,数据流并/串两种输出格式等,TS输出管脚可任意配置,方便和不同厂家的解码芯片配合布板。
GX1001的外围电路非常简单,其中外部AGC接口采用PDM输出,电路如下图所示:

图7GX1001AGC电路
可调节相应硬件参数值以满足和不同Tuner的搭配需求。而内部AGC调节的算法采用双路AGC捆绑调节的机制,以减小调谐器的非线性和便于控制。
信道部分的布线很讲究,两路中频(IF+IF-)信号应紧挨并排走线且尽量短,避免引入额外干扰。由于中频AGC和射频AGC为模拟电压信号,走线应远离I2C等数字信号,走线宽度应在12Mil以上。此外1.8V_Core电流较大,走线宽度应在15Mil以上。为了得到更好的抗干扰性能,抑制晶振倍频点的干扰,应尽量保证底层地平面的完整性。
信道部分软件主要由信号搜索函数和信号读取函数组成。GX1001的信号搜索函数内循环延时可调,程序默认延时充分考虑到抗干扰方面的影响。当网络情况较好时,可通过减小延时极大地缩减全频段搜索时间。
从和各个厂家Tuner搭配的情况来看,GX1001均具有良好的灵敏度和门限性能。下表是GX1001在某品牌DVB-C机顶盒应用方案中的测试结果表格:
测试条件:调制模式64QAM符号率6.9M灵敏度测试时不加噪声C/N门限测试时噪声耦合
| 频点 MHz |
灵敏度 |
大电平 |
C/N门限 |
|
115 |
30.5
|
107 |
23.0 |
|
131 |
31
|
|
|
|
163 |
31.5
|
|
|
|
179 |
30.5
|
|
|
|
219 |
31
|
|
|
|
243 |
31
|
106 |
23.0 |
|
291 |
30.5
|
|
|
|
323 |
31.5
|
|
|
|
355 |
31
|
|
|
|
371 |
31
|
|
|
|
419 |
31.5
|
106 |
23.0 |
|
467 |
32
|
|
|
|
482 |
31.5
|
|
|
|
490 |
31.5
|
|
|
|
498 |
32
|
|
|
|
506 |
32
|
|
|
|
514 |
32
|
108 |
23.0 |
|
522 |
32
|
|
|
|
530 |
32
|
|
|
|
538 |
32
|
|
|
|
546 |
31.5
|
|
|
|
570 |
31.5
|
|
|
|
610 |
31.5
|
107 |
23.0 |
|
634 |
31
|
|
|
|
642 |
31
|
|
|
|
666 |
31.5
|
|
|
|
738 |
31
|
|
|
|
770 |
31.5
|
|
|
|
802 |
31
|
|
|
|
818 |
31
|
102 |
23.0 |
|
858 |
32
|
|
|
从上表中可以看出,GX1001在灵敏度、门限几个关键性能指标上的表现是十分出色的。
4、结束语:
综上所述,运用GX3001和GX1001设计的数字有线机顶盒方案,不但具有优越的灵敏度、门限及抗干扰性能,软件上还具有可靠的稳定性、可扩展性及兼容性,无论从功、性能还是成本角度都提供了市场上最具竞争力的整套解决方案。
参考文献:
[1]GX1001Datasheet,HangzhouNationalchipScience&TechnologyCo.,Ltd
[2]GX3001Datasheet,HangzhouNationalchipScience&TechnologyCo.,Ltd
[3]《中国数字广电产业月度市场发展研究报告》,北京络达营销顾问有限公司
[4]《EN300468》,DVB/SI标准
[5]《ISO/IEC13818-1》,MPEG2标准








康佳平板电视
创维平板电视
LG平板电视
海信平板电视
WAP手机版
建议反馈
官方微博
微信扫一扫
PjTime