——立体声输出、编组辅助输出和矩阵输出部分介绍
立体声母线(主控H部分)和磁带输出
输入通道看完了。我们看看立体声母线,它连接主输出接口。当我们正确的设置了输入通道的电平,打开输入通道第13)号ST开关,推起通道推子。最后我们把下图的立体声母线的推子推起来,就能听到主音箱的声音了!
立体声母线所有调音台上都有,否则他就不能成为MIXER了。它的信号往往发送给主扩音音响系统。或者是最终混音的结果给DAT或者磁带录音机。

调音台只有一条立体声母线
1)调音台只有一条立体声母线,但是它有两对立体声输出端口。分别由3)和5)两个衰减器控制。当这个开关弹起时ST1与ST2都是独立控制音量。这个开关按下时,ST2的信号取自ST1的衰减器之后,受ST1推子控制,但仍受旋钮3)控制。
2)MONO开关,把立体声混合成单声道从输出端口ST2输出。
3)立体声输出端口2的衰减控制旋钮。它与下面的5)只有形式不同。
4)AFL(After-FaderListen)衰减后监听。和输入通道的PFL相同,都是把信号发送给监听母线,但它是监听经过立体声母线主衰减器5)后的声音。PFL和AFL开关是调音台操作者最重要的工具之一。
5)立体声母线主推子!直接作用于立体声输出端口ST1
从下图我们可以看到立体声母线输出的情况,注意RECOUT磁带输出。磁带输出可以方便地把立体声母线的信号发送给磁带录音机,把我们缩混得最终成果记录下来。

立体声母线输出
一、辅助和编组母线输出控制(主控G部分)
上面已经提过,立体声母线连接调音台的主输出。主输出的信号是给观众听的,也是录音缩混的最终结果。
编组母线的信号取自输入通道推子后的信号,也就是说它和输入通道给立体声母线的信号电平是一样的。编组,顾名思义,我们可以把多个服务于相同音源的输入通道编为一个小组,通常用于鼓组或者合唱声部的拾音。调音台用于多轨录音时,编组输出可以非常方便地把相应通道的信号发送给多轨录音机。
辅助母线的信号可以取自输入通道推子前或者推子后,但是它还可以设置发送电平。推子前辅助通常用作舞台返送,推子后辅助通常用作发送效果。当然推子前辅助也可用于多轨录音,但是应用起来没有编组方便。
我们现在看看编组和辅助的输出控制
下图是主控G部分,其中M1-M4是编组输出控制,M5-M10是辅助输出控制。

编组和辅助的输出控制
1)和2)是辅助或者编组母线的均衡旋钮和开关,现场扩音的时候可以帮助减少反馈。
3)编组声像,当4)按下的时候控制编组发送到立体声母线的声像
4)编组母线的声音可以发送给立体声母线。TOST。这个就是编组发送给立体声母线的开关!有的时候我们需要先将通道信号发送到编组母线,然后由编组母线再发送给立体声母线,实现编组控制。常用于鼓组的扩音。
5)AFL(After-FaderListen)衰减后监听。和输入通道的PFL相同,都是把信号发送给监听母线,
但是在衰减后。对于编组和辅助母线,能够直接监听他们太有用了!比如直接监听作为演员返送的辅助母线,我们不必站在舞台上就可以知道返送的各乐器声部的比例!
6)编组或者辅助总线的主推子。小型调音台上,这些都变成了旋钮!
下面是辅助和编组母线输出控制部分框图

辅助和编组母线输出控制部分框图
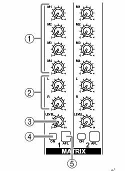
二、矩阵输出(主控D部分)
矩阵输出是一种非常灵活的输出母线,它可以混合编组、辅助甚至立体声母线的信号。通常用来做为舞台返送。或者部分区域的补声音响。GA32/12调音台的有两路矩阵输出

矩阵输出
1)混合来自M1-M4母线的信号
2)混合来自立体声母线的信号
3)矩阵输出的发送旋钮
4)矩阵输出的发送开关
5)矩阵输出的AFL监听开关

矩阵输出框图
上图:矩阵输出框图
以上调音台最主要的几个部分已经看完了:通道输入,立体声输出、编组
和辅助输出。下面我们将继续了解辅助返回、控制室监听、演员对讲功能以及
表头,磁带返回










明基投影机
坚果投影机
科视投影机
极米投影机
SONNOC投影机
宝视来投影机
视美乐投影机
WAP手机版
建议反馈
官方微博
微信扫一扫
PjTime